How connect AX58100 directly?
- Others
- Windows
Hello Team,
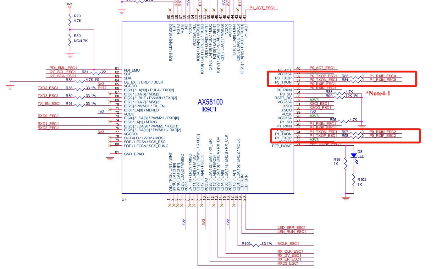
Is it possible to connect one AX58100 EVB with another AX58100 EVB
directly, omitting transformers, through P0/P1 RXIn/TXOn pins?
Thanks in advance!
BR
K
Hello Team,
Is it possible to connect one AX58100 EVB with another AX58100 EVB
directly, omitting transformers, through P0/P1 RXIn/TXOn pins?
Thanks in advance!
BR
K